Features
Mini Type Vacuum Gripper
●Small size, simple structure, and lightweight
●Suction cup type: The size, material, and rows of suction cups are optional
●Various vacuum sources can select a built-in vacuum generator or external blower
●Sponge Type: Conventional sponge, Mark free sponge, or Conductive sponge can be selected
Selection Guide
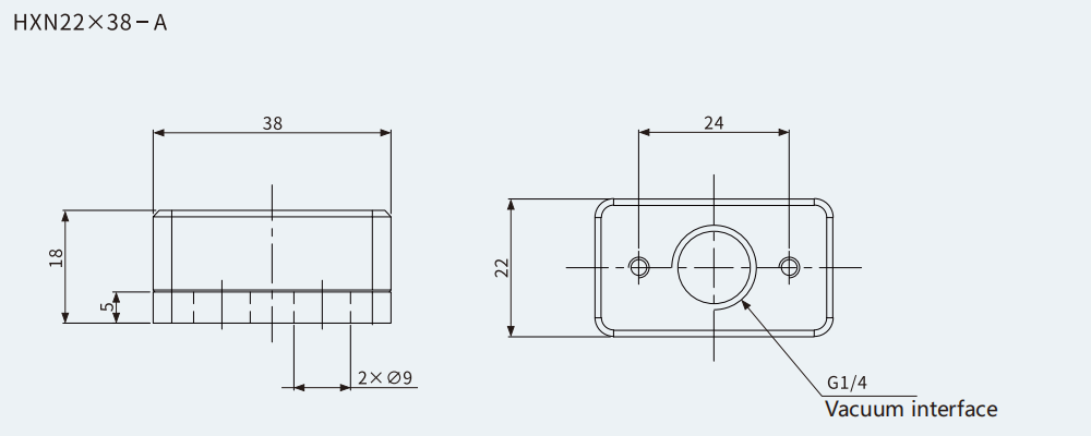
HXN Series Vacuum Grippers
HXN 22×38 -A □ -□ -□
① ② ③ ④ ⑤ ⑥
|
① Series |
② Specification |
③ Type of suction cup |
④ Material of suction cup |
⑤ Vacuum type |
⑥ Check valve |
| HXN |
22×38 22×76 |
A - Conventional sponge | / | / - Default,without a vacuum generator | / |
| 60×120 | A - Conventional sponge | / | X - With a built-in vacuum generator | / | |
|
15×76
|
051 - PCG05 one row
|
/ - Default,NBR WS - White silicone |
X - With a built-in vacuum generator | / | |
|
120×120 120×240 180×180 150×240
|
A - Conventional sponge 05 - PCG05 07 - PCG07 0503 - PCG05 0.3mm leak hole 0703 - PCG07 0.3mm leak hole 0505 - PCG05 0.5mm leak hole 0705 - PCG07 0.5mm leak hole |
/ - Default,NBR WS - White silicone |
/ - Default,without a vacuum generator F - External vacuum generator or blower X - With a built-in vacuum generator |
/ - Default,without check valve Z - With check valve |
※Note:No fan suction for sizes below 120;suction cups can not be selected once you chose sponge
Dimensions
Mini Type Vacuum Gripper

























