Features
Vacuum Generator
●Fast suction, high vacuum degree, low air consumption
●The workpiece can be of airtight or porous material
●Dirt and dust resistance
●Small size, lightweight, simple structure
●The external silencer is optional
Selection Guide
HGS SERIES MULTISTAGE VACUUM GENERATOR
HGS -VK05 -□ -□
① ② ③ ④
HGS -VT18 -2 -□ -B -A -□ -□
① ② ③ ④ ⑤ ⑥ ⑦ ⑧
| ①Series | ②Specification | ③Nozzle | ④Installation screw | ⑤Installation bracket | ⑥ Non-return valve | ⑦Control device | ⑧Air supply connector |
|
HGS |
VK05 - -87kPa | / - Single stage nozzle | M6 - M6×28screw |
/ - Default,No mounting bracket B - L type mounting bracket |
/ - Default,Without Non-return valve A - With Non-return valve |
/ - Default,Without control device RE - RE supply valve |
/ - Default,With one-touch fitting L - With rotary one-touch fitting |
| VK07 - -87kPa | |||||||
| VI01 - -92kPa |
2 - Two stage nozzle 3 - Three stage nozzle |
M8 - M8×33screw M10 - M10×33screw |
|||||
| VI02 - -92kPa | |||||||
| VT18 - -94kPa | M12 - M12×38screw | ||||||
| VT19 - -90kPa | |||||||
| VT20 - -85kPa |
Note: The VK series is a single stage nozzle with an installation specification of M6
VI series optional two and three stage nozzles, with installation specifications of M8/M10
VT series optional two and three stage nozzles, installation specification M12
Technical parameters
Vacuum Generator
Technical parameters
| Model |
Optimal |
Max. vacuum level -kPa |
Max. vacuum flow NL/min |
Air consumption NL/min |
| HGS-VK05 | 4.5~5.5 | 87 | 6~8 | 11.5~15 |
| HGS-VK05 | 4.5~5.5 | 87 | 16~19 | 21~28 |
| HGS-VI0102 | 4.5 | 92 | 56 | 36 |
| HGS-VI0103 | 4.5 | 92 | 84 | 36 |
| HGS-VI0202 | 6.0 | 84 | 54 | 30 |
| HGS-VI0203 | 6.0 | 84 | 76 | 30 |
| HGS-VT1802 | 4.5 | 94 | 190 | 132 |
| HGS-VT1803 | 4.5 | 94 | 360 | 132 |
| HGS-VT1902 | 3.5 | 90 | 210 | 123 |
| HGS-VT1903 | 3.5 | 90 | 336 | 123 |
| HGS-VT2002 | 6 | 85 | 200 | 105 |
| HGS-VT2003 | 6 | 85 | 355 | 105 |
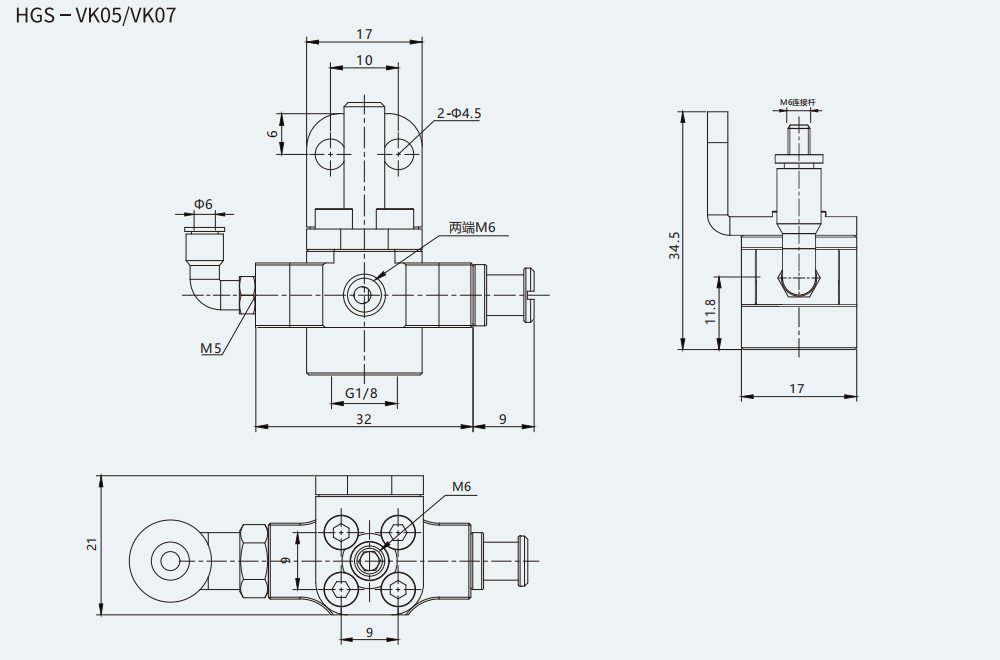
Dimensions
Vacuum Generator



















